在没有磁瓦样品的情况下,磁瓦图纸,对于磁铁生产商来说,也是比较重要的,这关系着磁瓦片做出来的准确性,所以定制电机磁瓦(铁氧体瓦片 betway必威入口 )的时候磁铁业务员会跟您要磁瓦的图纸,以及所需采购数量,材质等等,都弄清楚了后才给您进行核价。
对于很少接触过这块或初次使用的客户可能就有点懵了,磁瓦需提供哪些关键数据?有没磁瓦二维图(2D图纸)参考下?
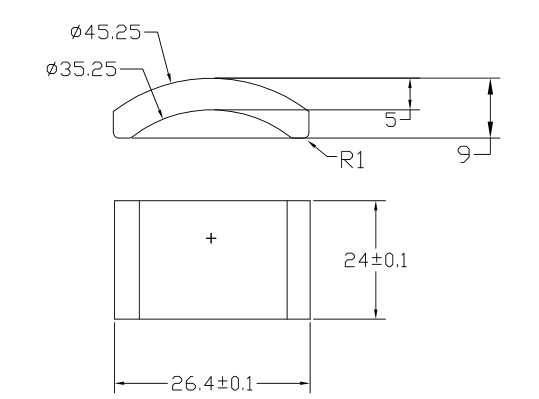
以下是电机瓦片磁铁的图纸及关键数据标注。


以上就是关于磁瓦二维图纸,由必威电竞精装版提供。有询磁瓦报价,磁瓦样品的电机客户欢迎联系我们。
相关磁瓦图纸文章;